Importador, distribuidor e fabricante de Ferramentas de manuais, corte e fixação. Temos máquinas de pequeno porte, acessórios industriais, brocas, machos, pinças, equip. de segurança, abrasivos, cossinetes, garras, placas, castanhas, pinos de fixação entre outros. Navegue pelo site e conheça todo nosso conteúdo. Para obter nossos dados, clique na parte superior do site, em FALE CONOSCO - empresa do GRUPO FUSER DO BRASIL
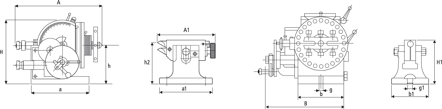
DESENHO TÉCNICO

TABELA

Cód.: BS-2
O divisor universal HOMGE foi desenvolvido para todos os tipos de geração de engrenagens. Divisão precisa e divisão helicoidal (exceto modelo BS-0 e BS-1) trabalham com grande eficiência, garantindo muito mais recursos com sua utilização. Sua face central pode girar da posição horizontal de 90º para baixo até –10º na vertical e inclinações podem ser acompanhadas em sua régua de escalas em graus. O seu centro é construído de acordo com os melhores padrões de engenharia, além de sair de fábrica testado e inspecionado para garantir a completa satisfação de nossos clientes. A relação da engrenagem sem fim é 40:1.
NOTA: Manual de serviço e operação acompanha o equipamento.
SOLICITE ORÇAMENTO
TEL 011-4305-3972 - 011-2791-7856
Whatsapp 011-94011-4140
E-mail bergferramentas@fuser.com.br vendas@fuser.com.br
Importador, distribuidor e fabricante de Ferramentas de manuais, corte e fixação. Temos máquinas de pequeno porte, acessórios industriais, brocas, machos, pinças, equip. de segurança, abrasivos, cossinetes, garras, placas, castanhas, pinos de fixação entre outros. Navegue pelo site e conheça todo nosso conteúdo. Para obter nossos dados, clique na parte superior do site, em FALE CONOSCO - empresa do GRUPO FUSER DO BRASIL