Sobre a loja

Importador, distribuidor e fabricante de Ferramentas de manuais, corte e fixação. Temos máquinas de pequeno porte, acessórios industriais, brocas, machos, pinças, equip. de segurança, abrasivos, cossinetes, garras, placas, castanhas, pinos de fixação entre outros. Navegue pelo site e conheça todo nosso conteúdo. Para obter nossos dados, clique na parte superior do site, em FALE CONOSCO - empresa do GRUPO FUSER DO BRASIL

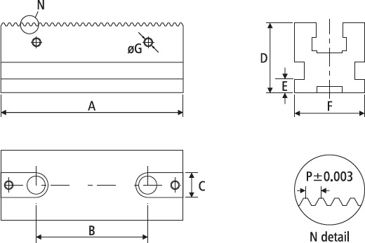
MORSA DE PRECISÃO PARA PRODUÇÃO EM MÓDULO HRV-5013-A

Código: 05022

DESENHO TÉCNICO

TABELA

 

 

SOLICITE ORÇAMENTO

 

TEL 011-4305-3972  - 011-2791-7856

Whatsapp 011-94011-4140

E-mail bergferramentas@fuser.com.br      vendas@fuser.com.br

Sobre a loja

Importador, distribuidor e fabricante de Ferramentas de manuais, corte e fixação. Temos máquinas de pequeno porte, acessórios industriais, brocas, machos, pinças, equip. de segurança, abrasivos, cossinetes, garras, placas, castanhas, pinos de fixação entre outros. Navegue pelo site e conheça todo nosso conteúdo. Para obter nossos dados, clique na parte superior do site, em FALE CONOSCO - empresa do GRUPO FUSER DO BRASIL

Social
Pague com
  • proxy-mercadopago-v1
  • proxy-mercadopago-v1
Selos
  • https://cdn.awsli.com.br/production/static/painel/img/samples/exemplo-selobanner-ebit.jpg
  • Site Seguro

COMERCIAL FDB DE FERRAMENTAS LTDA - CNPJ: 21.390.335/0001-33 © Todos os direitos reservados. 2026