Importador, distribuidor e fabricante de Ferramentas de manuais, corte e fixação. Temos máquinas de pequeno porte, acessórios industriais, brocas, machos, pinças, equip. de segurança, abrasivos, cossinetes, garras, placas, castanhas, pinos de fixação entre outros. Navegue pelo site e conheça todo nosso conteúdo. Para obter nossos dados, clique na parte superior do site, em FALE CONOSCO - empresa do GRUPO FUSER DO BRASIL
DESENHO TÉCNICO

TABELA

Cód.: HPV-III 8
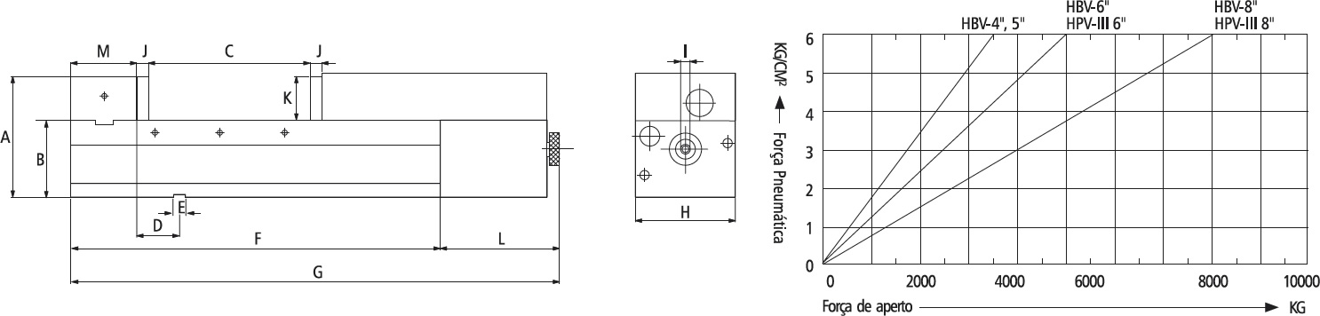
Força de aperto 0-8000kg.
Botão de ajuste de pressão para operações rápidas.
Força de aperto ajustável 0-8000kg dependendo do material da peça de trabalho.
Intervalo de segurança de 8mm.
1) Novo sistema pneumático patenteado, projetado para aumentar a força de aperto 0~8000kg e pode ser ajustado dependendo do material da peça de trabalho.
2) Corpo da morsa é fabricado com aço dúctil com grau acima de FCD60 para garantir alta precisão e durabilidade. Com uma força de 4500kg, sua forma irá deformar menos de 0,01mm.
3) A morsa pode ser utilizada horizontalmente ou verticalmente.
4) Guias temperadas com dureza acima de 50 HRC para aumentar a durabilidade e manter o posicionamento da altura após longo período de uso.
5) Mecanismo ANGLE-LOCK, com design compacto e aço de alta graduação acima de FCD 60, empurra automaticamente a peça para baixo garantindo um posicionamento da peça em 0,01mm sob 4500kg de aperto.
6) Os tubos são projetados com cores diferentes para reparação rápida.
7) O sistema de segurança do mecanismo pneumático garante a força de fixação da morsa por 3 minutos se o fornecimento de ar for interrompido.
Altura fixa, então varias morsas podem ser usadas juntas. Esta morsa é altamente apropriada para fabricação de moldes de precisão em centros de usinagem, como também usinagem pesada que exigem alta força de aperto e precisão.
SOLICITE ORÇAMENTO
TEL 011-4305-3972 - 011-2791-7856
Whatsapp 011-94011-4140
E-mail bergferramentas@fuser.com.br vendas@fuser.com.br
Importador, distribuidor e fabricante de Ferramentas de manuais, corte e fixação. Temos máquinas de pequeno porte, acessórios industriais, brocas, machos, pinças, equip. de segurança, abrasivos, cossinetes, garras, placas, castanhas, pinos de fixação entre outros. Navegue pelo site e conheça todo nosso conteúdo. Para obter nossos dados, clique na parte superior do site, em FALE CONOSCO - empresa do GRUPO FUSER DO BRASIL