Importador, distribuidor e fabricante de Ferramentas de manuais, corte e fixação. Temos máquinas de pequeno porte, acessórios industriais, brocas, machos, pinças, equip. de segurança, abrasivos, cossinetes, garras, placas, castanhas, pinos de fixação entre outros. Navegue pelo site e conheça todo nosso conteúdo. Para obter nossos dados, clique na parte superior do site, em FALE CONOSCO - empresa do GRUPO FUSER DO BRASIL
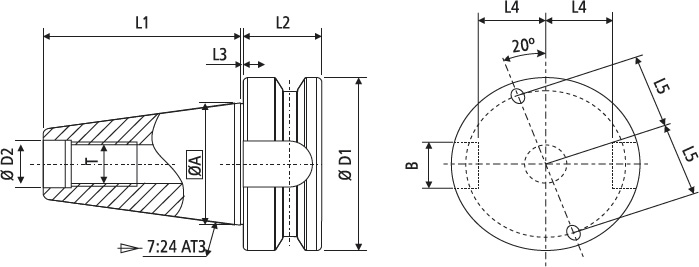
DESENHO TÉCNICO

INFORMAÇÕES TÉCNICAS
MANDRIL PARA MÁQUINAS C/ SPINDLE DUPLO CONTATO - DBT



SOLICITE ORÇAMENTO
TEL 011-4305-3972 - 011-2791-7856
Whatsapp 011-94011-4140
E-mail bergferramentas@fuser.com.br vendas@fuser.com.br
Importador, distribuidor e fabricante de Ferramentas de manuais, corte e fixação. Temos máquinas de pequeno porte, acessórios industriais, brocas, machos, pinças, equip. de segurança, abrasivos, cossinetes, garras, placas, castanhas, pinos de fixação entre outros. Navegue pelo site e conheça todo nosso conteúdo. Para obter nossos dados, clique na parte superior do site, em FALE CONOSCO - empresa do GRUPO FUSER DO BRASIL