Importador, distribuidor e fabricante de Ferramentas de manuais, corte e fixação. Temos máquinas de pequeno porte, acessórios industriais, brocas, machos, pinças, equip. de segurança, abrasivos, cossinetes, garras, placas, castanhas, pinos de fixação entre outros. Navegue pelo site e conheça todo nosso conteúdo. Para obter nossos dados, clique na parte superior do site, em FALE CONOSCO - empresa do GRUPO FUSER DO BRASIL

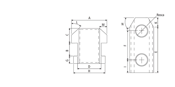
| CÓDIGO | MODELO | A | B | C | D | E | F | G | H | I | J | K | L | M | N | ROSCA |
| 06622 | AUTOBLOK 6" - 160 | 14 | 6,5 | 7 | 11 | 32 | 16,5 | 5 | 14 | 8 | 8 | 4,5 | 45° | 3 | 45° | M10x1,50 |
| 06623 | AUTOBLOK 8" - 210 | 16 | 7,5 | 7,6 | 13 | 43 | 23 | 5,4 | 17 | 12 | 10 | 4,5 | 45° | 3 | 45° | M12x1,75 |
| 06624 | AUTOBLOK 10" - 250 | 25 | 10 | 10 | 17 | 56 | 30 | 6,5 | 21 | 13 | 14 | 5 | 30° | 3,5 | 45° | M10x2,00 |
Importador, distribuidor e fabricante de Ferramentas de manuais, corte e fixação. Temos máquinas de pequeno porte, acessórios industriais, brocas, machos, pinças, equip. de segurança, abrasivos, cossinetes, garras, placas, castanhas, pinos de fixação entre outros. Navegue pelo site e conheça todo nosso conteúdo. Para obter nossos dados, clique na parte superior do site, em FALE CONOSCO - empresa do GRUPO FUSER DO BRASIL