Importador, distribuidor e fabricante de Ferramentas de manuais, corte e fixação. Temos máquinas de pequeno porte, acessórios industriais, brocas, machos, pinças, equip. de segurança, abrasivos, cossinetes, garras, placas, castanhas, pinos de fixação entre outros. Navegue pelo site e conheça todo nosso conteúdo. Para obter nossos dados, clique na parte superior do site, em FALE CONOSCO - empresa do GRUPO FUSER DO BRASIL

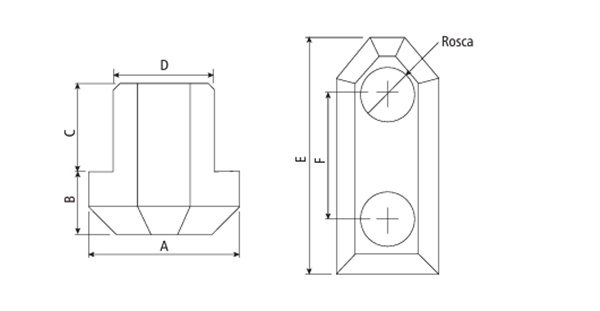
| CÓDIGO | MODELO | A | B | C | D | E | F | ROSCA |
| 00791 | KITAGAWA 6" - 160 | 17,5 | 7,5 | 11 | 12 | 36,5 | 20 | M10 |
| 00792 | KITAGAWA 8" - 210 | 20 | 8,5 | 12 | 14 | 46,5 | 25 | M12 |
| 00781 | KITAGAWA 10" - 250 | 22,5 | 8,5 | 13 | 16 | 51 | 30 | M12 |
Importador, distribuidor e fabricante de Ferramentas de manuais, corte e fixação. Temos máquinas de pequeno porte, acessórios industriais, brocas, machos, pinças, equip. de segurança, abrasivos, cossinetes, garras, placas, castanhas, pinos de fixação entre outros. Navegue pelo site e conheça todo nosso conteúdo. Para obter nossos dados, clique na parte superior do site, em FALE CONOSCO - empresa do GRUPO FUSER DO BRASIL