Importador, distribuidor e fabricante de Ferramentas de manuais, corte e fixação. Temos máquinas de pequeno porte, acessórios industriais, brocas, machos, pinças, equip. de segurança, abrasivos, cossinetes, garras, placas, castanhas, pinos de fixação entre outros. Navegue pelo site e conheça todo nosso conteúdo. Para obter nossos dados, clique na parte superior do site, em FALE CONOSCO - empresa do GRUPO FUSER DO BRASIL
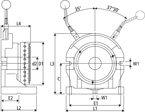
DESENHO TÉCNICO

TABELA

Cód.: HSD-7
Precisão superior.
Operação com apenas um toque.
ATENÇÃO
Não mova a alavanca até o divisor não estar bem fixado na mesa da máquina. A alavanca pode apenas operar quando o dispositivo estiver bem fixado na máquina.
Sempre retorne a alavanca para a posição de fixação depois de fazer o movimento para evitar danos a ela.
Não force a alavanca caso ela não encaixe perfeitamente devido erro de operação, simplesmente retorne o pino seletor para a posição de passagem em ordem de liberar a alavanca.
Não inicie a operação da máquina até o pistão ter parado a mesa após girar a alavanca e esta ter retornado a posição de fixação.
Importador, distribuidor e fabricante de Ferramentas de manuais, corte e fixação. Temos máquinas de pequeno porte, acessórios industriais, brocas, machos, pinças, equip. de segurança, abrasivos, cossinetes, garras, placas, castanhas, pinos de fixação entre outros. Navegue pelo site e conheça todo nosso conteúdo. Para obter nossos dados, clique na parte superior do site, em FALE CONOSCO - empresa do GRUPO FUSER DO BRASIL